MAZDA(マツダ)CX5のターボ交換|D2.2エンジンターボからオイル漏れ

前回のCX-5カーボン除去の続きです。

と言うのも、「EGR(排ガス再循環)機能があるにしても、ちょっとカーボンに油分が多すぎやしないか・・??」 と疑問だったのです。 ブローバイガスには油分が含まれていて、再循環しています。 EGRは純粋な「排気ガス」なので油分はありません。

(ブローバイガスだけであんなネッチョリした堆積物になるのかなぁ。。。) と大きな疑問だったのですが、謎が全て解けました。

その理由がコレ↓

CX-5ツインターボチャージャーの故障

故障1、ターボからのオイル漏れ

マツダCX5のターボ故障で交換整備作業マツダCX5のターボ故障。大量オイル漏れ

ターボ〜インタークーラ間のオイルの正体は、ターボ本体のビッグタービン&コンプレッサー軸からのオイル大量漏れでした。 はじめはターボからのオイルリークではなく、エンジン周辺からのパイプなどから漏れたのか? ってくらい大量でした。 しかも床までビシャビシャになるほどのリークです。

 

故障2、ビッグタービン軸の振れが過大

マツダCX5のターボ故障。タービンシャフト軸の振れが過大

ビッグタービンシャフトの軸受が摩耗したのか、指で触るとガタガタです。 ちょっと指で押すと軸が回転できずにロックしてしまいます。更にコンプレッサーホイールがハウジングと接触してしまい、ターボそのものが回転できていません。

 

不具合の解説動画

 

不具合の症状

CX5を試走した結果は下記2つの大きな不具合がありました。

  • エンジン回転数の上昇スピードが極端に遅い(パワー無し)
  • 2500回転でガクガクして引っかかる(頭もガクガクするほど)
  • 吸気圧センサーの値の張り付き

20年前のハイエーススーパーロングに搭載されていた名エンジン1KDの3.0Lディーゼルターボエンジンをしこたま乗っていたので、この加速力はどう考えても弱すぎると感じました。 更には回転数の上昇スピードもゆっくりすぎる。  ただ、普段運転しない方なら何も不具合は感じないレベル。

そして不規則に突然現れる車体振動。 イメージとしては燃料カットをバンバン入れている感じでそれ以上回転数が上がらなくなっしまう。

そして3つめは、診断機をつないだまま市場し吸気圧や温度、燃圧などをチェックしていて気付いた不具合が・・・「吸気圧力値の張り付き」です。

吸気圧センサーはターボ出口とインマニ入口の2ヶ所にあるのですが、ターボ側がほとんど動かない・・・

このような症状からのスタートでした。

 

試走したフィーリングからの考察

ANDY

まず、パワーが無さすぎるな。。 2.5Lのディーゼルターボならこの加速はない。 600ccの加速イメージだわ。2500回転で引っかかるのはナニ??  燃料出てないのか?

まずはパワーが圧倒的に出てない事が気になりました。 更に帰ってきてクルマをリフトで上げると。。。?

ANDY

うぉ!?

なにこのオイル!!  どこから漏れてるの!?!?

なんと床には大量のオイルが漏れているではありませんか。。。

元を辿っていくと、インタークーラーに入る吸気パイプのつなぎ目からポタポタ垂れています。 ん??  ここオイルの通路だっけな???  と謎は深まるばかり。。。

この時はターボが怪しい・・・ とは思いましたが確証が持てていませんでした。しかし

  • 圧倒的にパワー不足である
  • オイル噴出箇所にオイルは無い。
  • つまりターボからオイルが出ているかも?

との予想からターボを疑って点検を始める事にします。

 

分解整備手順

手順1. 吸気系部品の取り外し

バッテリーボックス、インテークパイプを取り外します。 この時点でインテークパイプの内面がオイルでベトベトです。

 

手順2. プロペラシャフト、エキパイ取外し

マツダCX5のターボ故障。タービンシャフト軸の振れが過大

エキパイ→プロペラシャフトの順に取外します。  マツダの整備要領書を見ると、エキパイやペラシャを外すとは書いていませんが物理的に不可能ですw

 

手順3. メンバーの降ろし

マツダCX5のターボ故障。ロアメンバーの取外し

ロアメンバーを取外し、ステアリングラックも同時に降ろします。

 

手順4. DPFの取外し

マツダCX5のターボ故障。DPFの取外し

DPFを取り外すと、やっとターボとご対面できます。 更に強者はエンジンまで下ろすそうです。 組み付けの時にはターボに繋がるオイルパイプの位置をあわせる必要があって、エンジンが降りていれば作業しやすいです。

しかし、エンジン搭載状態だでも少しやり難いですが、組付け可能です。

情報、知識、経験の三拍子が揃った整備工場ならワンチャン降ろしたほうが早く完了するかもしれませんね!

 

手順5. ターボ本体の取外し

マツダCX5のターボ故障。ターボ本体の取外し

メンバーやDPFを降ろす理由は↑コレです。 エンジンケースからスタッドが4本生えていて、ナットで締結されています。 そのナットが超絶奥まった場所にあり、工具どころか腕すら入りましぇん。。。  全ての部品を取り外すとやっと見えてくるのです(感動w)

マツダCX5のターボ故障。ターボ本体の取外し

これら大物部品は、ターボ本体を締結しているナット4つにアクセスするために外すのです。(大変)

 

手順6. DPF洗浄

CX5のDPF洗浄 CX5のDPF洗浄

せっかくDPFを外したので、同時に洗浄します。  中からしっかりと堆積したカーボンが出てきました。 これでしばらくは安心して乗って頂けますね!

 

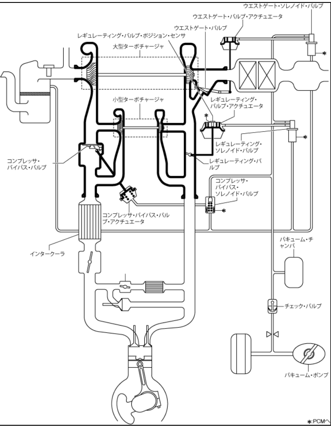
CX-5ディーゼルツインターボの構造と機能

ターボシステム全体像

CX5のディーゼルターボ概要

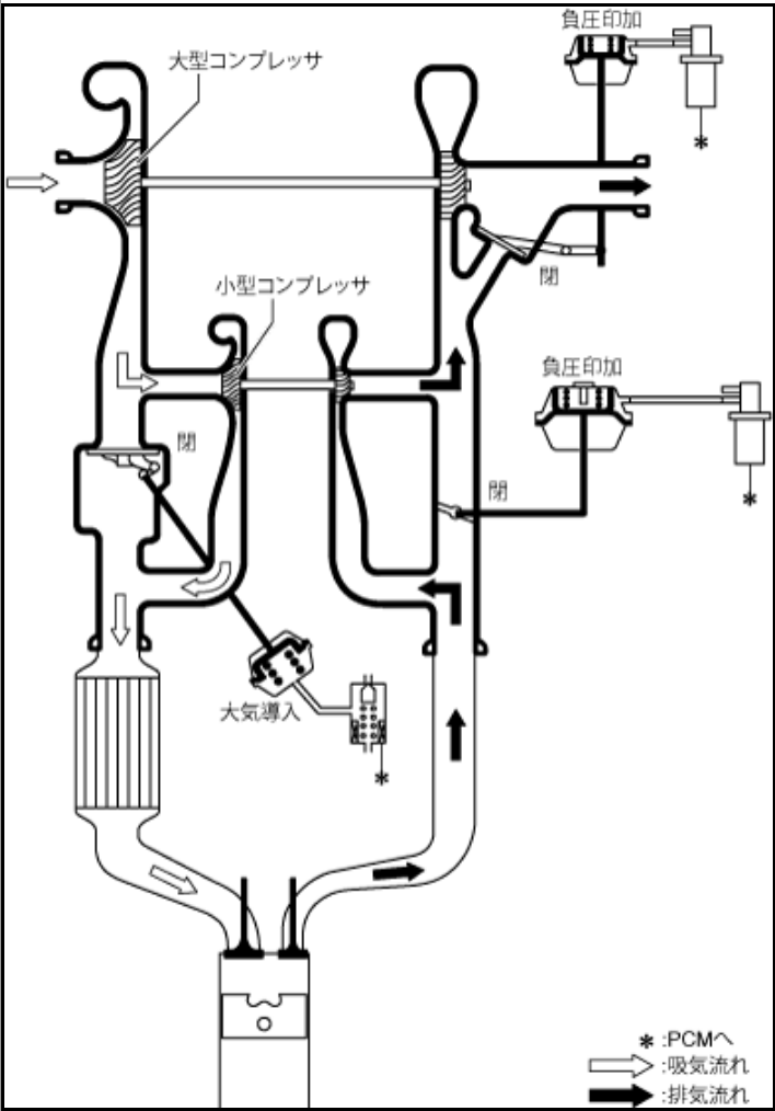
2基のターボチャージャーを運転領域によって切り替えるツインターボ方式です。低回転では大型→小型ターボチャージャーで2段過給。 高回転領域では大型ターボチャージャーのみで過給するシステムです。

 

始動・半暖気領域

CX5ターボチャージャーの機能解説

キャタライザー、コンバータの早期活性化のため、排気ガスを直接キャタライザ、コンバータに向かわせます。

 

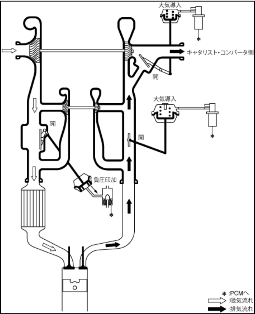
低回転領域

CX5ターボチャージャーの機能解説 低回転領域

小型ターボ、大型ターボを直列接続する。

大型コンプレッサで過給した空気を小型コンプレッサで更に過給。 低エミッション性と低燃費、高トルク&高レスポンスを実現する。

 

中回転領域

CX5ターボチャージャーの機能解説 中回転領域

状況に応じてレギュレーティングバルブを制御し、小型ターボチャージャーへ導入される排気ガスの量を制御し、高い過給圧を確保する。

 

高回転領域

CX5ターボチャージャーの機能解説 高回転領域

  • 大型ターボチャージャーのみで過給
  • 小型ターボは使用せず

吸気抵抗を無くし過給された空気を効果的に取り込むことができる。

 

高回転高負荷領域

CX5ターボチャージャーの機能解説 高回転高負荷領域

ウエストゲートバルブ開度を調整し、大型ターボの過給圧をコントロールする。

 

整備費用まとめ

エキゾーストパイプ脱着(0.7) 7000
プロペラシャフト脱着(1.0h) 10000
フロントメンバー脱着(3.5) 35000
触媒コンバータ脱着(2.0h) 20000
ターボチャージャー脱着(1.6h) 16000
DPF洗浄 30000
故障診断機使用
 リセット、学習値設定
5000
故障診断、試運転(受入、完成) 7000
ターボチャージャー本体 150000
ガスケット、LLCm小物部品 21000
合計 301,000

工賃はファイネスの標準作業点数から算出しています。

取外して初めて「え? ツインターボ! これめっちゃ高いヤツやん・・・」と思ったのですが、韓国製でコストは約15万円とリーズナブルで助かりました。 もしIHIだったら単体で40万とかでもおかしくないですよね。

 

またマツダディーゼルのターボ故障でよくあるのは、スモールコンプレッサーホイールの取付ナットが緩んで脱落→故障のパターンが多いですが、今回は全く問題ありませんでした。

マツダのディーゼルエンジンの不調でお悩みの方は中央自動車商会までお気軽にお問い合わせ下さい♪

おすすめの記事